Assalamualaikum! Dalam kesempatan kali ini saya KelasElektro ingin memberikan kamu penjelasan tentang mikrokontroler. Mikrokontroler adalah suatu unit yang dapat diprogram cara kerjanya, sehingga dapat dipergunakan untuk keperluan yang berbeda. Pada masa sekarang mikrokontroler banyak digunakan sebagai pengontrol pada peralatan-peralatan mulai dari mainan/hobie, peralatan rumah tangga, sampai kontrol pada peralatan industri. Disini saya akan menjelasakan salah satu jenis mikrokontroler yaitu Atmega8535, saya akan menjelaskannya secara rinci dari, pengertian, struktur, Konfigurasi PIN, dan lainnya. Atmega8535 ini biasa dipakai untuk membuat suatu programan yang menggunakan perintah bahasa, bisa bahasa Basic, Bahasa C++, dan sebagainya. Berikut ini adalah penjelasannya :
A. Mikrokontroler ATmega8535
Ada beberapa vendor yang membuat Mikrokontroler diantarannya adalah Microchip, Atmel, Philips, Intel, Wndbond, Xemics dan yang lainnya. Dari beberapa vendor tersebut, Mikrokontroler yang oaling sering dioakai dan sangat popular adalah mikrokntroler dari Atmel. Ada banyak jenis mikrokontroler yang termasuk kedalam Atmel yaitu, Keluarga ATtiny, Keluarga AT90sxx, Keluarga ATmega dan AT86RFxx. Ada beberapa perbedaan dari masing-masing keluarga kelompok mikrokontroler ini yaitu, masing-masing kelompok adalah berbeda Memorinya, Peripheralnya, dan Juga beda Fungsinya. Tetapi dari sedi arsitektur dan instruksi yang digunakan, mereka bisa dikatan hamper sejenis atau sama.
ATmega8535 adalah microkontroler yang termasuk kedalam kelompok ATmega, ada beberapa mikrokontroler yang hamper sejenis seperti ATmega16 dan ATmega32. ATmega8535 ini sangat dapat mudah ditemukan dipasaran dan harganya pun lebih murah daripada lainnya. Fasilitas yang ada di mikrokontroler ATmega8535 termasuk lengkap, dengan fasilitas yang lengkap itulah ATmega8535 adalah mikrokntroler yang Powerfull. ATmega8535 Memiliki teknologi RISC dengan kecepatan maksimal 16 MHz membuat ATmega8535 lebih cepat bila dibandingkan dengam jenis-jenis mikrokntroler lainnya.
B. Blok Diagram ATmega8535
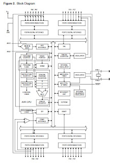
Berikut ini adalah Blog diagram daripada mikrokontroler ATmega8535 :
Ada beberapa vendor yang membuat Mikrokontroler diantarannya adalah Microchip, Atmel, Philips, Intel, Wndbond, Xemics dan yang lainnya. Dari beberapa vendor tersebut, Mikrokontroler yang oaling sering dioakai dan sangat popular adalah mikrokntroler dari Atmel. Ada banyak jenis mikrokontroler yang termasuk kedalam Atmel yaitu, Keluarga ATtiny, Keluarga AT90sxx, Keluarga ATmega dan AT86RFxx. Ada beberapa perbedaan dari masing-masing keluarga kelompok mikrokontroler ini yaitu, masing-masing kelompok adalah berbeda Memorinya, Peripheralnya, dan Juga beda Fungsinya. Tetapi dari sedi arsitektur dan instruksi yang digunakan, mereka bisa dikatan hamper sejenis atau sama.
ATmega8535 adalah microkontroler yang termasuk kedalam kelompok ATmega, ada beberapa mikrokontroler yang hamper sejenis seperti ATmega16 dan ATmega32. ATmega8535 ini sangat dapat mudah ditemukan dipasaran dan harganya pun lebih murah daripada lainnya. Fasilitas yang ada di mikrokontroler ATmega8535 termasuk lengkap, dengan fasilitas yang lengkap itulah ATmega8535 adalah mikrokntroler yang Powerfull. ATmega8535 Memiliki teknologi RISC dengan kecepatan maksimal 16 MHz membuat ATmega8535 lebih cepat bila dibandingkan dengam jenis-jenis mikrokntroler lainnya.
B. Blok Diagram ATmega8535
Berikut ini adalah Blog diagram daripada mikrokontroler ATmega8535 :
Dari gambar diatas dapat kita lihat bahwa ATmega8535 memiliki bagian-bagian sebagai berikut:
1. ADC 10 bit sebanyak 8 saluran
2. Tiga buah Timer atau Counter yang mempunyai kemampuan pembanding
3. CPU yang terdiri atas 32 Register
4. Watchdog Timer dengan osilator internal
5. SRAM saluran I/O sebanyak 32 buah, yaitu Port A, Port B, Port C, dan Port D.
6. Memori flash sebesar 8 KB dengan kemampuan Read While Write.
7. Unit Interupsi internal dan eksternal.
8. Port antar muka SPI
9. EEPROM seberas 512 Byte yang dapat deprogram pada saat pengoprasian.
10. Antarmuka koperator analog.
11. Port USART untuk komunikasi serial fitur ATmega8535
C. Konfigurasi Pin ATmega8535
Disetiap kaki/pin yang ada di ATmega8535 memiliki fungsi yang berbeda, bisa kamu lihat penjelsannya dibawah ini. Saya akan memberikan gambar dari ATmega8535 beserta nama pin-pinnya.
1. ADC 10 bit sebanyak 8 saluran
2. Tiga buah Timer atau Counter yang mempunyai kemampuan pembanding
3. CPU yang terdiri atas 32 Register
4. Watchdog Timer dengan osilator internal
5. SRAM saluran I/O sebanyak 32 buah, yaitu Port A, Port B, Port C, dan Port D.
6. Memori flash sebesar 8 KB dengan kemampuan Read While Write.
7. Unit Interupsi internal dan eksternal.
8. Port antar muka SPI
9. EEPROM seberas 512 Byte yang dapat deprogram pada saat pengoprasian.
10. Antarmuka koperator analog.
11. Port USART untuk komunikasi serial fitur ATmega8535
C. Konfigurasi Pin ATmega8535
Disetiap kaki/pin yang ada di ATmega8535 memiliki fungsi yang berbeda, bisa kamu lihat penjelsannya dibawah ini. Saya akan memberikan gambar dari ATmega8535 beserta nama pin-pinnya.
Penjelasan Gambar :
1. VCC merupakan pin yang mempunyai fungsi sebagai pin masukan catu daya/Power Supply
2. GND merupakan pin ground
3. Port A (PA0-PA7) merupakan Pin I/O dua arah dan pin Masukan ADC. Setiap pinnya dapat menyediakan internal Pull-up resistor (Bisa diatur per bit). Output buffer port A dapat member arus 20 mA dan dapat mengendalikan display LED secara langsung. Data Direction Register Port A (DDRA) harus disetting dahulu sebelum Port A digunkan. Bit-bit DDRA diisi 0 jika ingin memfungsikan pin-pin Port A yang bersesuaian sebagai input, atau diisi 1 jika sebagai output. Saelain itu kedelapan pin Port A juga digunakan untuk masukan sinyal analog bagi A/D converter.
4. Port B (PB0-PB7) Merupakan Pin I/O dua arah dan pin fungsi khusus yaitu Timer atau Counter, Komperator Analog, dan SPI. Setiap pinnya dapat menyediakan internal Pull-up resistor (Bisa diatur per bit). Output buffer port B dapat member arus 20 mA dan dapat mengendalikan display LED secara langsung. Data Direction Register Port B (DDRB) harus disetting dahulu sebelum Port B digunkan. Bit-bit DDRB diisi 0 jika ingin memfungsikan pin-pin Port B yang bersesuaian sebagai input, atau diisi 1 jika sebagai output. Selain itu, Pin-pin di Port B juga mempunyai fungsi alternative yang khusus seperti sebagai Timer atau Counter, dan Masukan Komparator Analog Positif.
5. Port C (PC0-PC7) merupakan pin I/O dua arah dan pin khusus yaitu TWI komperator Analog dan Timer Oscilator. Setiap pinnya dapat menyediakan internal Pull-up resistor (Bisa diatur per bit). Output buffer port C dapat member arus 20 mA dan dapat mengendalikan display LED secara langsung. Data Direction Register Port C (DDRA) harus disetting dahulu sebelum Port C digunkan. Bit-bit DDRC diisi 0 jika ingin memfungsikan pin-pin Port A yang bersesuaian sebagai input, atau diisi 1 jika sebagai output. Selain itu pin Port C (pin PC06 dan Pin PC07) juga mempunyai fungsi alternative yaitu sebagai oscillator untuk Timer/Countr.
6. Port D (PD0-PD7) merupakan pin I/O dua arah dan pin fungsi Khusus yaitu komperator analog, interupsi eksternal, dan komunikasi serial. Setiap pinnya dapat menyediakan internal Pull-up resistor (Bisa diatur per bit). Output buffer port D dapat member arus 20 mA dan dapat mengendalikan display LED secara langsung. Data Direction Register Port D (DDRD) harus disetting dahulu sebelum Port A digunkan. Bit-bit DDRA diisi 0 jika ingin memfungsikan pin-pin Port D yang bersesuaian sebagai input, atau diisi 1 jika sebagai output
7. RESET merupakan pin yang digunakan untuk mereset Mikrokontroler. Jika kamu memeberikan masukan low pada pin ini selama 2 machine cycle maka system akan direset.
8. XTL1 dan XTL2 adalah pin masukan clock internal
9. AVCC adalah pin masukan untuk tegangan ADC
10. AREF merupakan pin masukan tegangan referensi ADC. Untuk operasional ADC, suatu level tegangan antara GND dan AVCC harus diberikan ke kaki ini.
D. Peta Memori ATmega8535
Mikrokontroler ATmega8535 memiliki ruang pengalamatan memori data dan memori program yang terpisah, memori data terbagi menjadi 3 bagian, yaitu 32 buah register umum, 64 buah register I/O, dan 512 byte SRAM internal. Register keperluan umum menempati space data pada alamat terbawah yaitu $00 dan $1F. Sementara Itu, register khusus untuk menangani I/O dan control terhadap mikrokontroler menempati 64 alamat berikutnya, yaitu mulai dari $20 hingga $5F. Register tersebut merupakan register yang khusus digunakan mengatur fungsi terhadap berbagai peripheral mikrokontroler, seperti contoh register, timer/counter, fungsi-fungsi I/O, dan sebagainya. Memori program yang terletak dalam flash PEROM tersusn dalam word atau 2 byte karena setiap instruksi memiliki lebar 16 bit atau 32 bit, ATmega8535 memiliki Kbyte 12 bit program counter (PC) sehingga mampu mengalamati isi flash. Selain itu ATmega8535 memiliki memori data berupa EEPROM 8 bit sebanyak 512 byte. Alat EEPROM dimulai dari $000 sampai $1FF.
4. Port B (PB0-PB7) Merupakan Pin I/O dua arah dan pin fungsi khusus yaitu Timer atau Counter, Komperator Analog, dan SPI. Setiap pinnya dapat menyediakan internal Pull-up resistor (Bisa diatur per bit). Output buffer port B dapat member arus 20 mA dan dapat mengendalikan display LED secara langsung. Data Direction Register Port B (DDRB) harus disetting dahulu sebelum Port B digunkan. Bit-bit DDRB diisi 0 jika ingin memfungsikan pin-pin Port B yang bersesuaian sebagai input, atau diisi 1 jika sebagai output. Selain itu, Pin-pin di Port B juga mempunyai fungsi alternative yang khusus seperti sebagai Timer atau Counter, dan Masukan Komparator Analog Positif.
5. Port C (PC0-PC7) merupakan pin I/O dua arah dan pin khusus yaitu TWI komperator Analog dan Timer Oscilator. Setiap pinnya dapat menyediakan internal Pull-up resistor (Bisa diatur per bit). Output buffer port C dapat member arus 20 mA dan dapat mengendalikan display LED secara langsung. Data Direction Register Port C (DDRA) harus disetting dahulu sebelum Port C digunkan. Bit-bit DDRC diisi 0 jika ingin memfungsikan pin-pin Port A yang bersesuaian sebagai input, atau diisi 1 jika sebagai output. Selain itu pin Port C (pin PC06 dan Pin PC07) juga mempunyai fungsi alternative yaitu sebagai oscillator untuk Timer/Countr.
6. Port D (PD0-PD7) merupakan pin I/O dua arah dan pin fungsi Khusus yaitu komperator analog, interupsi eksternal, dan komunikasi serial. Setiap pinnya dapat menyediakan internal Pull-up resistor (Bisa diatur per bit). Output buffer port D dapat member arus 20 mA dan dapat mengendalikan display LED secara langsung. Data Direction Register Port D (DDRD) harus disetting dahulu sebelum Port A digunkan. Bit-bit DDRA diisi 0 jika ingin memfungsikan pin-pin Port D yang bersesuaian sebagai input, atau diisi 1 jika sebagai output
7. RESET merupakan pin yang digunakan untuk mereset Mikrokontroler. Jika kamu memeberikan masukan low pada pin ini selama 2 machine cycle maka system akan direset.
8. XTL1 dan XTL2 adalah pin masukan clock internal
9. AVCC adalah pin masukan untuk tegangan ADC
10. AREF merupakan pin masukan tegangan referensi ADC. Untuk operasional ADC, suatu level tegangan antara GND dan AVCC harus diberikan ke kaki ini.
D. Peta Memori ATmega8535
Mikrokontroler ATmega8535 memiliki ruang pengalamatan memori data dan memori program yang terpisah, memori data terbagi menjadi 3 bagian, yaitu 32 buah register umum, 64 buah register I/O, dan 512 byte SRAM internal. Register keperluan umum menempati space data pada alamat terbawah yaitu $00 dan $1F. Sementara Itu, register khusus untuk menangani I/O dan control terhadap mikrokontroler menempati 64 alamat berikutnya, yaitu mulai dari $20 hingga $5F. Register tersebut merupakan register yang khusus digunakan mengatur fungsi terhadap berbagai peripheral mikrokontroler, seperti contoh register, timer/counter, fungsi-fungsi I/O, dan sebagainya. Memori program yang terletak dalam flash PEROM tersusn dalam word atau 2 byte karena setiap instruksi memiliki lebar 16 bit atau 32 bit, ATmega8535 memiliki Kbyte 12 bit program counter (PC) sehingga mampu mengalamati isi flash. Selain itu ATmega8535 memiliki memori data berupa EEPROM 8 bit sebanyak 512 byte. Alat EEPROM dimulai dari $000 sampai $1FF.


No comments:
Post a Comment